首頁 > 公司新聞
05-17

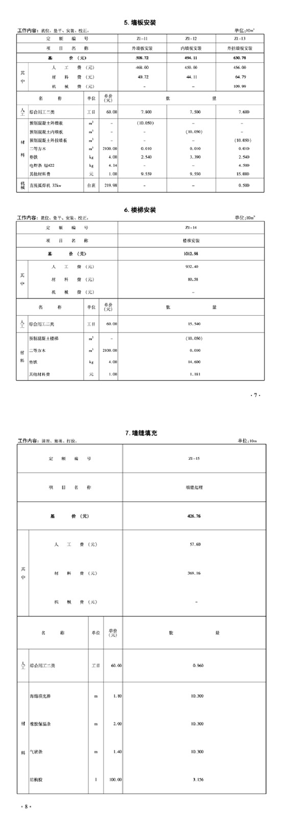
最新!河北省裝配式建筑工程定額(試行)發布

發布者: 瀏覽次數: